-
安装简单
-
可靠
-
无需电源
-
价格低
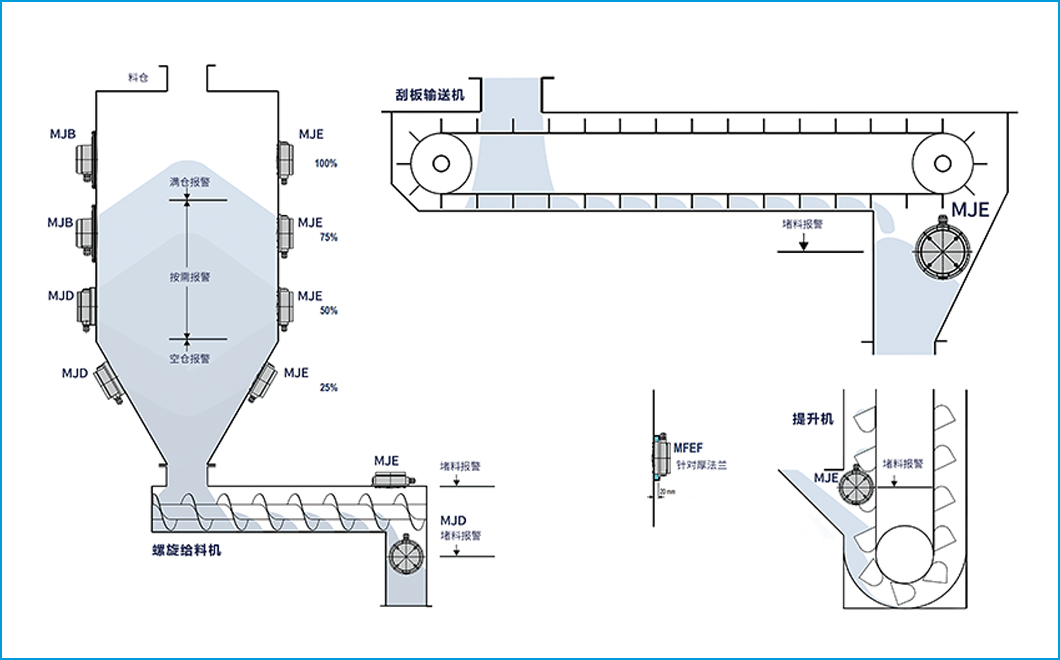
介可视膜片式堵料报警开关的最大优势是低功耗,无需电源供电, 所需的开关能量仅由压力产生。可测量物料颗粒尺寸最大为 30mm,物料堆积密度从 0.3t/m³ 到 2.5t/m³。适用于料仓料位和螺旋给料机堵料等检测。
安装简单
可靠
无需电源
价格低

介可视固体测量方案走在行业前端并助力行业发展。介可视凭借多年的固体测量知识和经验为用户降低生产成本和维护成本。
科研单位、冶金、电力、食品、水泥、造纸、粮油、印刷、 橡胶、石油、化工、制药、纺织、烟草、汽车制造等。我们为用户提供固体测量仪表品牌产品完整的固体测量解决方案。
当 散 料 接 触 膜 片上 的 薄 膜 时,因 物 料 堆 积 形 成 的 压力重量将薄膜挤压而产生形变同时触发内置限 位 开 关,闭 合 继 电 器 输 出 报 警 信 号,从 而 自 动 监 测料仓高低物位。